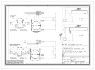
TS 4000 EN 1-6 * Deurdranger met schaararm voor eenvleugelige deuren tot 1400 mm vleugelbreedte
- Traploos instelbare sluitkracht EN1-6
- Zonder aanpassing voor naar rechts en links openende deuren bruikbaar
- Mechanische eindslag, die de deur net voor de gesloten positie versnelt
- Sluitsnelheid kan individueel aangepast worden
- Geïntegreerde openingsdemping, remt krachtig geopende deuren af
- Optische weergave van de sluitkracht voor het eenvoudig controleren van de instelling
Toepassingsgebieden
- Brand- en rookwerende deuren
- Rechtse en linkse aanslagdeuren
- Aanslagdeuren tot 1400 mm vleugelbreedte
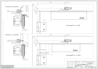
- Deurbladmontage scharnierzijde
- Kopmontage niet-scharnierzijde
- Voor parallelarm-montage op vleugel niet-scharnierzijde
Productspecificaties
| TS 4000 EN 1-6 | |
| Sluitkracht volgens EN 1154 | EN 1 - 6 |
| Barrièrevrij conform DIN 18040 tot vleugelbreedte (max.) in mm | 1100 mm |
| Vleugelbreedte (max.) | 1400 mm |
| Type montage | Deurbladmontage scharnierzijde, Kopmontage niet-scharnierzijde |
| Openingshoek (max.) | 180 ° |
| Geschiktheid brandwerende deuren | Ja |
| Sluitkracht instelbaar | Ja, traploos |
| Sluitsnelheid instelbaar | Ja |
| Eindslag instelbaar | Ja, via schaararm |
| Openingsdemping geïntegreerd | Ja, hydraulisch instelbaar |
| Positie sluitkrachtinstelling | Voor |
| Weergave sluitkracht | Ja |
| Vastzetfunctie | Optioneel |
Downloads
LABELLING OBLIGATION: © GEZE GmbH
Varianten & bevestigingsmateriaal
* Opmerking over de weergegeven producten
De hierboven genoemde producten kunnen variëren qua vorm, type, kenmerken en functie (ontwerp, afmetingen, beschikbaarheid, goedkeuringen, normen etc.) afhankelijk van het land. Neem voor vragen contact op met uw GEZE-contactpersoon, of stuur ons een E-Mail .