TS 4000 S * Deurdranger met schaararm voor eenvleugelige deuren tot 1400 mm vleugelbreedte met sluitvertraging
- Traploos instelbare sluitkracht EN 2-6
- Zonder aanpassing voor naar rechts en links openende deuren bruikbaar
- Sluitvertraging instelbaar om de sluitsnelheid van de deur tot ca. 80° openingshoek aan te passen
- Hydraulische eindslag, die de deur net voor de gesloten status versnelt
- Sluitsnelheid kan individueel aangepast worden
- Geïntegreerde openingsdemping, remt krachtig geopende deuren af
- Optische weergave van de sluitkracht voor het eenvoudig controleren van de instelling
- Alle functies vanaf de voorzijde instelbaar
Toepassingsgebieden
- Brand- en rookwerende deuren
- Rechtse en linkse aanslagdeuren
- Aanslagdeuren tot 1400 mm vleugelbreedte
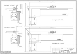
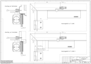
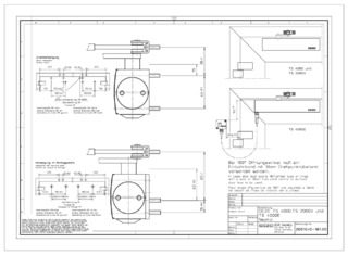
- Deurbladmontage scharnierzijde en kopmontage niet-scharnierzijde
- Deurbladmontage niet-scharnierzijde in parallelarm-montage tot sluitkracht EN 5 mogelijk
Productspecificaties
| TS 4000 S | |
| Sluitkracht volgens EN 1154 | EN 2 - 6 |
| Barrièrevrij conform DIN 18040 tot vleugelbreedte (max.) in mm | 1100 mm |
| Vleugelbreedte (max.) | 1400 mm |
| Type montage | Deurbladmontage scharnierzijde, Kopmontage niet-scharnierzijde, Deurbladmontage niet-scharnierzijde |
| Openingshoek (max.) | 180 ° |
| Geschiktheid brandwerende deuren | Ja |
| Sluitkracht instelbaar | Ja, traploos |
| Sluitsnelheid instelbaar | Ja |
| Eindslag instelbaar | Ja, via ventiel |
| Openingsdemping geïntegreerd | Ja, hydraulisch instelbaar |
| Sluitvertraging geïntegreerd | Ja |
| Positie sluitkrachtinstelling | Voor |
| Weergave sluitkracht | Ja |
| Vastzetfunctie | Optioneel |
Downloads
Varianten & bevestigingsmateriaal
* Opmerking over de weergegeven producten
De hierboven genoemde producten kunnen variëren qua vorm, type, kenmerken en functie (ontwerp, afmetingen, beschikbaarheid, goedkeuringen, normen etc.) afhankelijk van het land. Neem voor vragen contact op met uw GEZE-contactpersoon, of stuur ons een E-Mail .