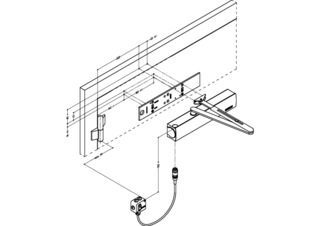
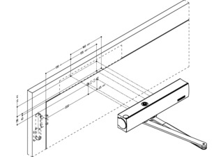
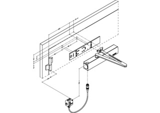
TS 4000 E * Deurdranger met schaararm voor deuren met enkele vleugel tot 1400 mm vleugelbreedte met elektrische vastzetvoorziening
- Traploos instelbare sluitkracht EN 1-6
- Bedrijfsspanning 24 V DC
- Zonder aanpassing voor naar rechts en links openende deuren bruikbaar
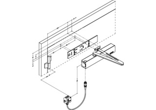
- Elektrische vastzetvoorziening met vastzetbereik 80°-175°
- Elektrische vastzetvoorziening volgens EN 1155 voor vastzetsystemen geschikt
- Mechanische eindslag, die de deur net voor de gesloten positie versnelt
- Sluitsnelheid kan individueel aangepast worden
- Optische weergave van de sluitkracht voor het eenvoudig controleren van de instelling
- Alle functies vanaf de voorzijde instelbaar (behalve eindslag)
Toepassingsgebieden
- Brand- en rookwerende deuren
- Rechtse en linkse aanslagdeuren
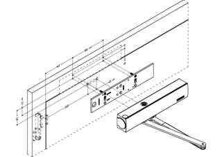
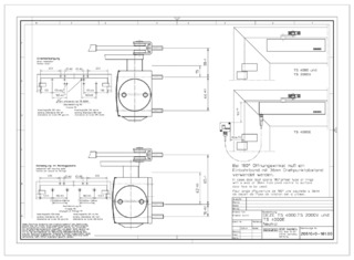
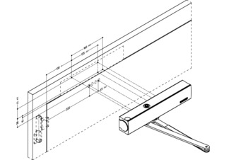
- Aanslagdeuren tot 1400 mm vleugelbreedte
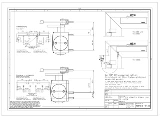
- Deurbladmontage scharnierzijde en kopmontage niet-scharnierzijde
Productspecificaties
| TS 4000 E | |
| Sluitkracht volgens EN 1154 | EN 1 - 6 |
| Barrièrevrij conform DIN 18040 tot vleugelbreedte (max.) in mm | 1400 mm |
| Vleugelbreedte (max.) | 1400 mm |
| Type montage | Deurbladmontage scharnierzijde, Kopmontage niet-scharnierzijde |
| Openingshoek (max.) | 180 ° |
| Ingangsspanning | 24 V DC |
| Geschiktheid brandwerende deuren | Ja |
| Sluitkracht instelbaar | Ja, traploos |
| Sluitsnelheid instelbaar | Ja |
| Eindslag instelbaar | Ja, via schaararm |
| Positie sluitkrachtinstelling | Voor |
| Weergave sluitkracht | Ja |
| Vastzetfunctie | Elektrisch |
| Vastzethoek | 80 ° - 175 ° |
Downloads
LABELLING OBLIGATION: © GEZE GmbH
Varianten & bevestigingsmateriaal
* Opmerking over de weergegeven producten
De hierboven genoemde producten kunnen variëren qua vorm, type, kenmerken en functie (ontwerp, afmetingen, beschikbaarheid, goedkeuringen, normen etc.) afhankelijk van het land. Neem voor vragen contact op met uw GEZE-contactpersoon, of stuur ons een E-Mail .