TS 4000 E * Overhead door closer with link arm for single leaf doors of up to 1400 mm leaf width with electric hold-open device
- Closing force EN 1-6 with variable adjustment
- Operating voltage 24 V DC
- Can be used for right and left hand doors without conversion
- Electric hold-open device with hold-open area 80°-175°
- Electric hold-open device in accordance with EN 1155 suitable for hold-open systems
- Mechanical latching action which accelerates the door shortly before the closed position
- Closing speed can be individually adjusted
- Visual closing force display for easy control of the setting
- All functions can be set from the front (except for latching action)
Application Areas
- Fire and smoke protection doors
- Right and left single-action doors
- Single-action doors up to 1400 mm leaf width
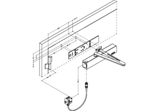
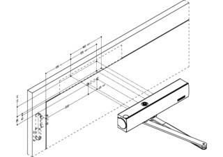
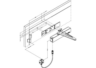
- Door leaf installation hinge side and transom installation opposite hinge side
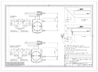
Technical data
| TS 4000 E | |
| Closing force in accordance with EN 1154 | EN 1 - 6 |
| Barrier-free in accordance with DIN 18040 up to leaf width (max.) in mm | 1400 mm |
| Leaf width (max.) | 1400 mm |
| Type of installation | Door leaf installation hinge side, Transom installation opposite hinge side |
| Opening angle (max.) | 180 ° |
| Input voltage | 24 V DC |
| Suitability for fire protection doors | Yes |
| Closing force adjustable | Yes, stepless |
| Adjustable closing speed | Yes |
| Latching action adjustable | Yes, via link arm |
| Position of closing force adjustment | Front |
| Visual closing force display | Yes |
| Hold-open function | Electrical |
| Hold-open range | 80 ° - 175 ° |
Downloads
LABELLING OBLIGATION: © GEZE GmbH
Variants & Accessories
* Notice about the products displayed
The products mentioned above may vary in form, type, characteristics and function (design, dimensions, availability, approvals, standards etc.) depending on the country. For questions please contact your GEZE contact person or send us an E-Mail .