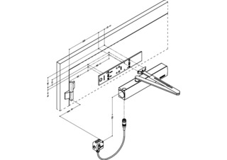
TS 4000 EFS * Ferme-porte en applique avec bras à compas pour portes à 1 vantail avec une largeur de vantail jusqu'à 1400 mm, avec fonction débrayable électrique
- Force de fermeture réglable en continu EN 1-6
- Tension de service 24 V DC
- Pour portes ouvrant à droite et à gauche sans besoin de modification
- La fonction débrayable permet d’ouvrir la porte avec peu d'effort
- Fonction débrayable après avoir ouvert la porte une fois à environ 90°
- Centrale de détection incendie raccordable, dont le signal ferme la porte automatiquement en cas d'incendie
- À-coup final mécanique, qui accélère la porte juste avant la position de fermeture
- La vitesse de fermeture peut être ajustée individuellement
- Affichage visuel de la force de fermeture pour contrôler facilement le réglage
- Toutes les fonctions réglables par l’avant (hors à-coup final)
Domaines d’application
- Portes coupe-feu et pare-flammes
- Portes à simple action à droite et à gauche
- Portes battantes à simple action pour une largeur de vantail jusqu'à 1400 mm
- Montage sur ouvrant de porte côté paumelles
- Unités d'arrêt à fonction maintien porte ouverte intégrée avec fonction débrayable
- Accessibilité sans obstacle selon DIN 18040
Spécifications du produit
| TS 4000 EFS | |
| Force de fermeture selon EN 1154 | EN 1 - 6 |
| Accessibilité selon DIN 18040 jusqu'à une largeur de vantail (max.) en mm | 1400 mm |
| Largeur de vantail (max.) | 1400 mm |
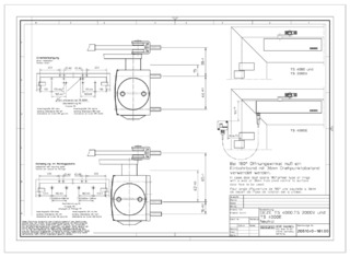
| Type de montage | Montage sur ouvrant de porte côté paumelles |
| Angle d'ouverture (max.) | 180 ° |
| Tension d’entrée | 24 V DC |
| Homologation pour portes coupe-feu | Oui |
| Plage d'arrêt en fonction débrayée | 80 ° - 175 ° |
| Force de fermeture réglable | Oui, à plage continue |
| Vitesse de fermeture réglable | Oui |
| À-coup final réglable | Oui, par le bras à compas |
| Position de réglage de la force de fermeture | Avant |
| Affichage visuel de la force de fermeture | Oui |
| Fonction maintien porte ouverte | Électrique, pour la fonction débrayable |
Téléchargements
Variantes et accessoires
* Remarque concernant les produits présentés
Les produits mentionnés ci-dessus peuvent varier en termes de forme, de type, de caractéristiques et de fonction (design, dimensions, disponibilité, homologations, normes, etc.) selon les pays. Pour toute question, veuillez contacter votre interlocuteur GEZE ou nous écrire à E-Mail .