TS 4000 EN 1-6 avec bras d'arrêt * Ferme-porte en applique avec bras à compas pour les portes à un vantail jusqu'à une largeur de vantail de 1400 mm
- Force de fermeture réglable en continu EN 1-6
- Pour portes ouvrant à droite et à gauche sans besoin de modification
- À-coup final hydraulique, qui accélère la porte juste avant la position fermée
- La vitesse de fermeture peut être ajustée individuellement
- Amortissement d'ouverture intégré, freine les portes fermées brusquement
- Affichage visuel de la force de fermeture pour contrôler facilement le réglage
Domaines d’application
- Portes à simple action à droite et à gauche
- Maintien en ouverture des portes sans exigences de protection pare-fumée et pare-feu
- Portes battantes à simple action pour une largeur de vantail jusqu'à 1400 mm
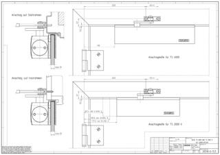
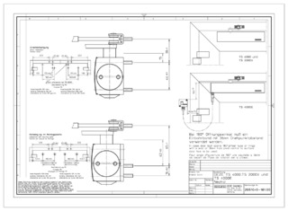
- Montage sur ouvrant de porte côté paumelles
- Montage sur dormant côté opposé aux paumelles
- Pour le montage de bras parallèles sur le côté opposé aux paumelles du vantail de la porte
Spécifications du produit
| TS 4000 EN 1-6 avec bras d'arrêt | |
| Force de fermeture selon EN 1154 | EN 1 - 6 |
| Largeur de vantail (max.) | 1400 mm |
| Type de montage | Montage sur ouvrant de porte côté paumelles |
| Angle d'ouverture (max.) | 180 ° |
| Force de fermeture réglable | Oui, à plage continue |
| Vitesse de fermeture réglable | Oui |
| À-coup final réglable | Oui, par le bras à compas |
| Freinage à l‘ouverture intégré | Oui, réglage hydraulique possible |
| Position de réglage de la force de fermeture | Avant |
| Affichage visuel de la force de fermeture | Oui |
| Fonction maintien porte ouverte | Mécanique |
| Plage de réglage de l’arrêt | 50 ° - 170 ° |
Téléchargements
LABELLING OBLIGATION: © GEZE GmbH
Variantes et accessoires
* Remarque concernant les produits présentés
Les produits mentionnés ci-dessus peuvent varier en termes de forme, de type, de caractéristiques et de fonction (design, dimensions, disponibilité, homologations, normes, etc.) selon les pays. Pour toute question, veuillez contacter votre interlocuteur GEZE ou nous écrire à E-Mail .